

关于做好2026年全国碳排放权交易市场有关工作的通知
各省、自治区、直辖市生态环境厅(局),新疆生产建设兵团生态环境局:
为统筹做好2026年全国碳排放权交易市场管理工作,保障市场健康平稳有序运行,根据《中共中央办公厅 国务院办公厅关于推进绿色低碳转型 加强全国碳市场建设的意见》《碳排放权交易管理暂行条例》和《碳排放权交易管理办法(试行)》,现将发电、钢铁、水泥、铝冶炼行业重点排放单位名录制定、数据质量管理、配额分配与清缴等有关工作要求,以及其他重点行业企业温室气体排放管理工作要求通知如下。
一、加强重点排放单位名录管理
(一)名录制定
省级生态环境主管部门要制定本行政区域2027年度重点排放单位名录,将发电、钢铁、水泥、铝冶炼行业年度直接排放量达到2.6万吨二氧化碳当量的单位纳入全国碳排放权交易市场管理,名录制定的具体条件见附件1。
(二)名录公布
2026年10月31日前,省级生态环境主管部门将2027年度发电、钢铁、水泥、铝冶炼行业重点排放单位名录通过全国碳市场管理平台(以下简称管理平台,网址为https://www.cets.org.cn)和省级生态环境主管部门官方网站向社会公布(名录公开格式见附件2),并将有关权利义务及时告知重点排放单位。
二、加强重点排放单位数据质量管理
省级生态环境主管部门按照生态环境部制定的核算报告与核查技术规范(清单见附件3)组织开展发电、钢铁、水泥、铝冶炼行业温室气体排放数据质量管理工作。
(一)制定数据质量控制方案
2026年12月31日前,省级生态环境主管部门组织发电、钢铁、水泥、铝冶炼行业重点排放单位通过管理平台制定2027年度数据质量控制方案。
(二)开展碳排放统计核算数据月度信息化存证
每月结束后的40个自然日内,省级生态环境主管部门组织发电、钢铁、水泥、铝冶炼行业重点排放单位通过管理平台开展碳排放统计核算数据的月度信息化存证。
(三)报送年度温室气体排放报告
2026年3月31日前,省级生态环境主管部门组织发电、钢铁、水泥、铝冶炼行业重点排放单位通过管理平台报送2025年度温室气体排放报告。
(四)开展年度温室气体排放报告技术审核
2026年6月30日前,省级生态环境主管部门完成发电行业重点排放单位2025年度温室气体排放报告技术审核(以下简称核查)工作,并通过管理平台向重点排放单位告知核查结果。7月31日前,完成对钢铁、水泥、铝冶炼行业重点排放单位排放报告的核查及核查结果告知工作。
(五)开展核查技术服务机构评估
2026年11月30日前,省级生态环境主管部门按照《企业温室气体排放报告核查指南(试行)》要求,对2025年度核查技术服务机构的工作质量、合规性、及时性进行评估。评估结果通过管理平台和省级生态环境主管部门官方网站向社会公开。
三、加强重点排放单位配额分配与清缴管理
(一)配额预分配
2026年4月10日前,省级生态环境主管部门向钢铁、水泥、铝冶炼行业重点排放单位预分配2025年度碳排放配额。2026年6月30日前向发电行业重点排放单位预分配2025年度碳排放配额。
(二)配额核定与分配
2026年9月20日前,省级生态环境主管部门基于2025年度核查结果,按照年度配额总量和分配方案核定2025年度发电、钢铁、水泥、铝冶炼行业重点排放单位应发放配额量,并向全国碳排放权注册登记机构书面报送相关数据表,进行核定配额的注册登记。9月30日前,省级生态环境主管部门向发电、钢铁、水泥、铝冶炼行业重点排放单位分配2025年度碳排放配额。
(三)配额清缴
2026年12月31日前,省级生态环境主管部门组织发电、钢铁、水泥、铝冶炼行业重点排放单位按时足额完成2025年度碳排放配额清缴。
四、其他重点行业企业管理要求
(一)确定其他重点行业排放报告管理工作范围
石化、化工、建材(平板玻璃)、有色(铜冶炼)、造纸、民航,以及暂未纳入全国碳排放权交易市场重点排放单位名录的钢铁、水泥行业企业中,年度温室气体排放量达到2.6万吨二氧化碳当量(综合能源消费量约1万吨标准煤)的单位(其他重点行业及代码见附件4),纳入本通知年度温室气体排放报告管理工作范围,各地组织对此类企业2025年度排放报告进行核实。
(二)石化、化工、建材(平板玻璃)、有色(铜冶炼)、造纸、民航行业企业管理要求
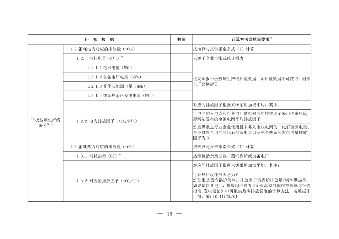
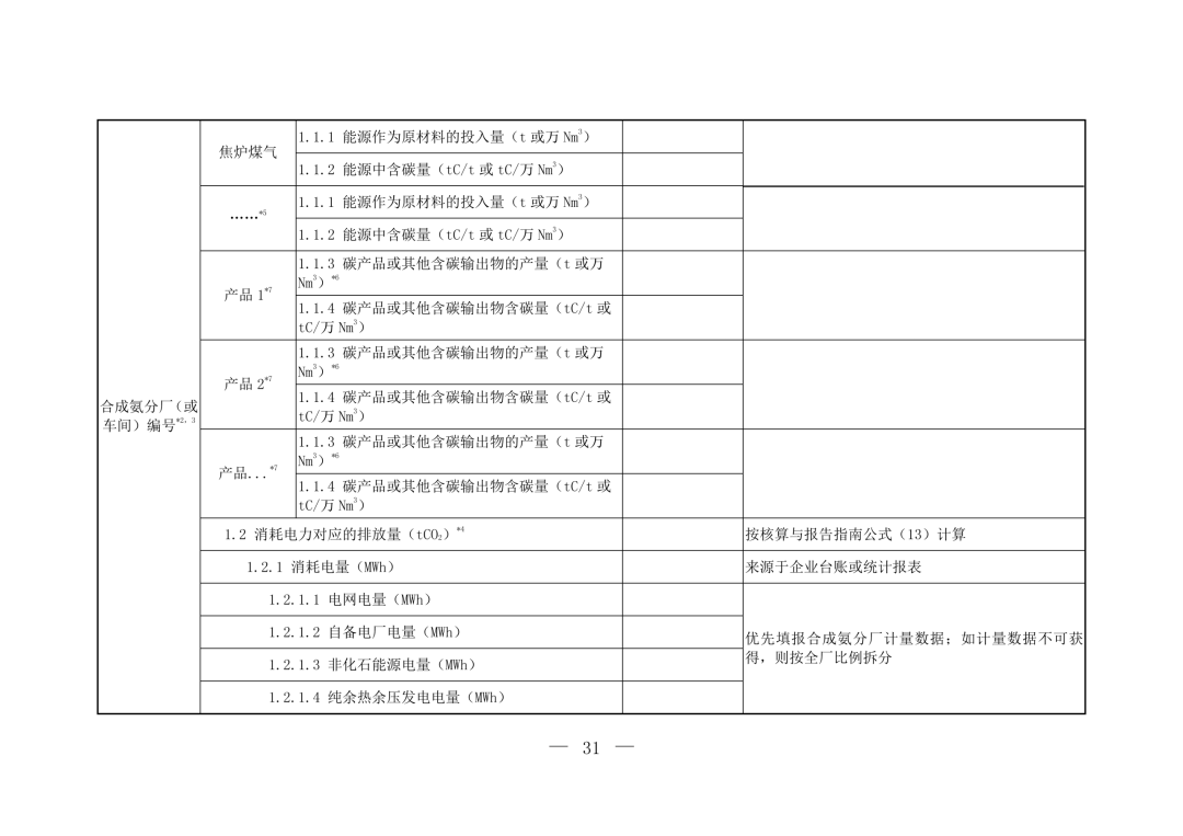
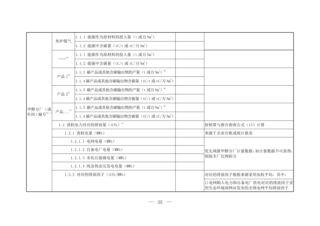
2026年3月31日前,省级生态环境主管部门组织石化、化工、建材(平板玻璃)、有色(铜冶炼)、造纸、民航行业企业通过管理平台报送2025年度温室气体排放报告及其补充数据核算报告(补充数据核算报告模板见附件5)。
2026年12月31日前,省级生态环境主管部门参照《企业温室气体排放报告核查指南(试行)》要求,完成对上述企业2025年度排放报告的核实工作,有关报告通过管理平台向生态环境部报送(报告模板在管理平台下载)。
(三)暂未纳入全国碳排放权交易市场的钢铁、水泥行业企业管理要求
2026年3月31日前,省级生态环境主管部门组织年度直接排放量达到2.6万吨二氧化碳当量,但暂未纳入全国碳排放权交易市场重点排放单位名录的钢铁、水泥行业企业,按照本通知附件3所列的技术规范要求编制2025年度温室气体排放报告,并通过管理平台报送排放报告。
2026年7月31日前,省级生态环境主管部门按照本通知附件3所列的技术规范要求,完成对上述企业2025年度排放报告的核实工作,有关报告通过管理平台向生态环境部报送。
五、加大推进力度
(一)加强组织领导
各级地方生态环境主管部门要深入贯彻落实《中共中央办公厅 国务院办公厅关于推进绿色低碳转型 加强全国碳市场建设的意见》精神,扎实做好本地区重点排放单位名录管理、碳排放数据质量管理、碳排放配额分配与清缴等工作,及时总结凝练数据质量管理成效与案例,高质量完成本通知各项工作。
(二)加强能力建设
生态环境部对省级生态环境主管部门及技术支撑单位开展政策解读和能力建设培训,依托相关行业协会对新纳入的重点排放单位开展政策宣贯。各省级生态环境主管部门应加大技术帮扶力度,针对碳排放数据质量管理、碳排放配额分配与清缴组织开展专题培训。
(三)加强监督执法
各级地方生态环境主管部门要严格贯彻落实《碳排放权交易管理暂行条例》规定,将碳市场数据质量管理和配额清缴履约等纳入日常监督执法工作,严厉打击碳排放数据弄虚作假行为。
工作中遇到的问题及相关意见建议,请及时反馈我部。
联系人:应对气候变化司 苏勉、曹钰、蒋松华
电话:(010)65645668、65645634
附件:
1.2027年度全国碳排放权交易市场重点排放单位名录制定要求
2.**省(区、市)2027年度全国碳排放权交易市场(**行业)重点排放单位名录(公开格式模板)
3.全国碳排放权交易市场碳排放核算报告与核查技术规范清单
4.其他重点行业及代码
5.20XX年碳排放补充数据核算报告模板
生态环境部办公厅
2026年1月27日























































(此件社会公开)
抄送:中国民用航空局综合司,全国碳排放权注册登记机构、全国碳排放权交易机构,全国温室气体自愿减排注册登记机构、全国温室气体自愿减排交易机构。


